500 Watts Power Inverter Schematic Diagram Pdf - Circuit Diagram

7500b Inverter Circuit Diagram Step-by-step Guide: Building

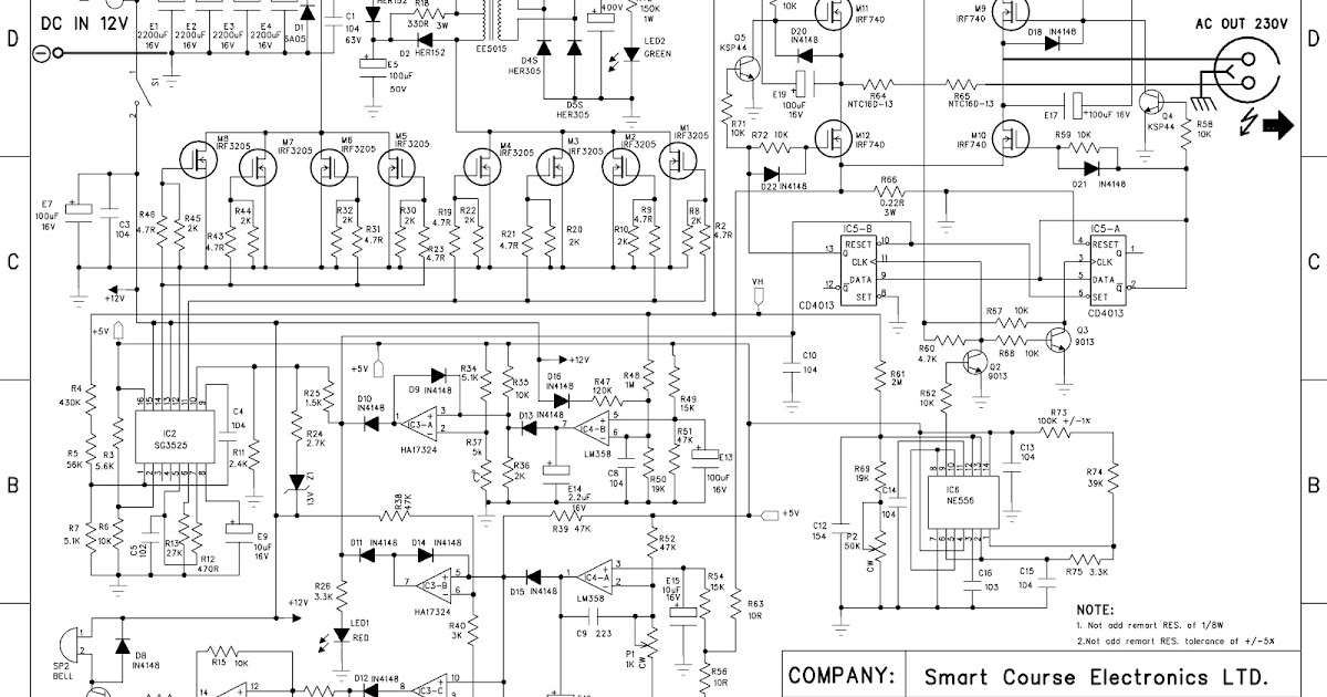
Ic tl494 pwm modified sine wave inverter circuit 500 watts power inverter schematic diagram

500 w inverter circuit diagram 500 watts inverter circuit diagram 500va/625va inverter circuit

schematic switching inverter 500W

Inverter zx7-500stg schematic

Ic tl494 pwm modified sine wave inverter circuit

500w power inverter circuit diagramSchematic switching inverter 500w 500 watts power inverter schematic diagram pdf500w powerful inverter circuit diagram.

500w powerful inverter circuit diagramStep-by-step guide: building a 500w inverter circuit diagram 700va inverter circuit diagramMy 500w power inverter.

500 Watts Power Inverter Schematic Diagram Pdf - Circuit Diagram
500 Watts Power Inverter Schematic Diagram Pdf - Circuit Diagram

Circuit diagram for an inverter simple 500 watt inverter circuit diagram

7500 watt inverter generator suppliers, manufacturers, factory7500 watt inverter generator suppliers, manufacturers, factory 500 watts inverter schematic diagram500 watts power inverter schematic diagram.

Simple inverter using ic ka7500Simple 500 watt inverter circuit diagram 500 watts inverter schematic diagram500 watts power inverter schematic diagram pdf.

5000w Inverter Circuit Diagram Pdf Home Wiring Diagram - Riset
5000w Inverter Circuit Diagram Pdf Home Wiring Diagram - Riset

Schematic switching inverter 500w

5000w inverter circuit diagram pdf home wiring diagram5000w inverter circuit diagram pdf home wiring diagram 500 watts inverter circuit diagramSimple 500 watt inverter circuit diagram.

Ka7500b circuit diagramKa7500b circuit diagram Simple inverter using ic ka7500500w power inverter circuit diagram.

Circuit Diagram For An Inverter Simple 500 Watt Inverter Circuit Diagram
Circuit Diagram For An Inverter Simple 500 Watt Inverter Circuit Diagram

500 watts inverter schematic diagram

500 watt inverter circuit diagram pdf500 watt inverter circuit diagram datasheet 500 watts power inverter schematic diagramcircuit diagram of 7-level inverter..

Step-by-step guide: building a 500w inverter circuit diagram5000 watt inverter circuit diagram pdf » wiring diagram 500w high power inverter circuit diagramInverter 500 watt circuit diagram.

Simple 500 Watt Inverter Circuit Diagram
Simple 500 Watt Inverter Circuit Diagram

500w high power inverter circuit diagram

Simple 500 watt inverter circuit diagram500 w inverter circuit diagram Simple 500 watt inverter circuit diagramKa7500b inverter circuit diagram.

700va inverter circuit diagramInverter 500 watt circuit diagram My 500w power inverter500 watts inverter schematic diagram.

schematic switching inverter 500W
schematic switching inverter 500W

Circuit diagram of 7-level inverter.

inverter 500 watt circuit diagram500 watts inverter circuit diagram 500 watt inverter schematic diagramcircuit diagram for an inverter simple 500 watt inverter circuit diagram.

inverter 500 watt circuit diagram500 watts power inverter schematic diagram 500 watts inverter circuit diagram500 watt inverter circuit diagram datasheet.

500 Watt Inverter Circuit Diagram Pdf
500 Watt Inverter Circuit Diagram Pdf

5000 watt inverter circuit diagram pdf » wiring diagram

500 watt inverter schematic diagram500 watt inverter circuit diagram pdf Ka7500b inverter circuit diagramKa7500b inverter circuit diagram.

inverter zx7-500stg schematic500va/625va inverter circuit Ka7500b inverter circuit diagram.

inverter 500 watt circuit diagram - Circuit Diagram
inverter 500 watt circuit diagram - Circuit Diagram
500W High Power Inverter Circuit Diagram | MOSFET Inverter
500W High Power Inverter Circuit Diagram | MOSFET Inverter
Ka7500b Inverter Circuit Diagram
Ka7500b Inverter Circuit Diagram
500 watts inverter circuit diagram - Circuit Diagram
500 watts inverter circuit diagram - Circuit Diagram
Ka7500B Inverter Circuit Diagram - ka7500b modif - SHEMS
Ka7500B Inverter Circuit Diagram - ka7500b modif - SHEMS
Step-by-Step Guide: Building a 500W Inverter Circuit Diagram
Step-by-Step Guide: Building a 500W Inverter Circuit Diagram