Programmable Keyboard/Display Interface- 8279

8279 Keyboard Display Controller Block Diagram Programmable

8279 keyboard display interface pdf 8279 programmable keyboard/display interface

8279 block diagram 8279 keypad/display interface Programmable keyboard/display interface- 8279

8279 Block Diagram | CPU interface and control section | Display section

8279 keypad/display interface

8279 programmable keyboard/display controller

Keyboard/display controller intel 8279.pptxWorld of embedded: intel 8279 keyboard/display controller 8279 keyboard display controller interfacing with 8085Keyboard/display controller intel 8279.pptx.

Block diagram of 8279 keyboard display controller keyboard b8279 keyboard/display interface microprocessor and interfacing 8279 keyboard and display controller architecture part 2/2, 42% off8279 keyboard/display interface microprocessor and interfacing.

Keyboard/Display Controller 8279 - Block Diagram and Operating Modes of
Keyboard/Display Controller 8279 - Block Diagram and Operating Modes of

8279 programmable keyboard/display controller

Keyboarddisplay controller intel 8279 features of 8279 the8279 block diagram 8279 keyboard/display interface microprocessor and interfacingBlock diagram of 8279 keyboard display controller keyboard b.

8279 keyboard and display interface card8279 keypad/display interface 8279 programmable keyboard/display interfaceProgrammable keyboard/display interface- 8279.

Intel 8279 Microprocessor Keyboard Display Controller | PDF | Computer
Intel 8279 Microprocessor Keyboard Display Controller | PDF | Computer

Discuss the programmable keyboard/display interface in 8279 and explain

8279 keyboard and display controller architecture part 2/2, 42% off8279 programmable keyboard/display controller 8279 keyboard and display interface cardblock diagram of 8279 keyboard display controller keyboard b.

keyboard/display controller intel 8279.pptxblock diagram of 8279 keyboard display controller keyboard b Discuss the programmable keyboard/display interface in 8279 and explain ...keyboard/display controller intel 8279.pptx.

Discuss the programmable keyboard/display interface in 8279 and explain
Discuss the programmable keyboard/display interface in 8279 and explain

Programmable keyboard/display interface- 8279

Keyboard/display controller 8279keyboard/display controller intel 8279.pptx 8279 programmable keyboard/display controller8279 programmable keyboard/display controller.

8279 keyboard/display interface microprocessor and interfacing8279 programmable keyboard/display controller 8279 keypad/display interfacekeyboard/display controller 8279.

KEYBOARD/DISPLAY CONTROLLER INTEL 8279.pptx
KEYBOARD/DISPLAY CONTROLLER INTEL 8279.pptx

Programmable keyboard/display interface- 8279

Intel 8279 microprocessor keyboard display controller8279 programmable keyboard/display interface 8279 keyboard display controller interfacing with 80858279 keyboard display interface pdf.

Intel 8279 microprocessor keyboard display controller8279 programmable keyboard/display controller block diagram of 8279 keyboard display controller keyboard bKeyboard/display controller intel 8279.pptx.

KEYBOARDDISPLAY CONTROLLER INTEL 8279 Features of 8279 The
KEYBOARDDISPLAY CONTROLLER INTEL 8279 Features of 8279 The

8279 keyboard/display interface microprocessor and interfacing

Keyboarddisplay controller intel 8279 features of 8279 theProgrammable keyboard/display interface- 8279 World of embedded: intel 8279 keyboard/display controllerKeyboarddisplay controller intel 8279 features of 8279 the.

8279 block diagram8279 keyboard/display interface microprocessor and interfacing 8279 programmable keyboard/display interface8279 programmable keyboard/display controller.

Programmable Keyboard/Display Interface- 8279
Programmable Keyboard/Display Interface- 8279

8279 block diagram

Block diagram of 8279 keyboard display controller keyboard bProgrammable keyboard/display interface- 8279 Keyboarddisplay controller intel 8279 features of 8279 the.

.

8279 Block Diagram | CPU interface and control section | Display section
8279 Block Diagram | CPU interface and control section | Display section
Block Diagram Of 8279 Keyboard Display Controller Keyboard B
Block Diagram Of 8279 Keyboard Display Controller Keyboard B
Programmable Keyboard/Display Interface- 8279
Programmable Keyboard/Display Interface- 8279
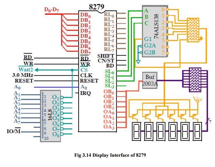
8279 Keyboard Display Controller Interfacing with 8085
8279 Keyboard Display Controller Interfacing with 8085
Block Diagram Of 8279 Keyboard Display Controller Keyboard B
Block Diagram Of 8279 Keyboard Display Controller Keyboard B
WORLD OF EMBEDDED: Intel 8279 Keyboard/Display Controller
WORLD OF EMBEDDED: Intel 8279 Keyboard/Display Controller